Maxitronix 20in1 - Project 10/20
These files prepared for John's video blog
In The Lab With Jay Jay
.
Maxitronix-20in1-10-instructions.jpg
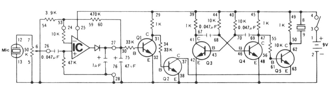
Maxitronix-20in1-10-schematic.jpg
Maxitronix-20in1-10-wiring.jpg
Maxitronix-20in1-10-instructions.jpg
Maxitronix-20in1-10-schematic.jpg
Maxitronix-20in1-10-wiring.jpg